歐瑞伺服在數控折彎機上的應用
前言
折彎機是一種能夠對鋼板按照一定角度進行折彎的設備,隨著工業技術的發展,在電器、金屬結構、儀器儀表、日用五金、建筑材料等行業得到了廣泛的應用,折彎機在精密鈑金制造行業起著十分重要的作用。折彎機可分為手動折彎機、數控折彎機和液壓折彎機,本文就歐瑞傳動SD20系列絕對值伺服在數控折彎機的應用做詳細介紹。
一、數控折彎機介紹
伴隨著計算機技術的不斷發展,自動化程度在鈑金加工行業也變得越來越高。現代化的生產對于產品來說提出更高的要求,通常需要滿足多品種、小批量的加工目標。以往的普通折彎機在對工件進行多道折彎的時候,必須要同時對整批工件一起進行多道折彎,這樣就要不停的進行上下換料的工作,工作效率低。而采用全伺服數控折彎機控制,則擋料塊和滑塊由伺服電機控制,從而能進行精確的行程控制,可以連續不斷的對成批的工件進行多道折彎,而且可以保證同批次產品的折彎精度的一致性,極大的提高了工作效率。?
二、歐瑞SD20伺服介紹
歐瑞SD20系列伺服為最新開發的一款高性能、支持總線型的伺服驅動器,同時支持全閉環、多段位置、中斷定長、內置PLC等功能,主要應用于紡織、雕刻機、數控銑床、機械手臂等行業。
三、歐瑞伺服在數控折彎機的應用
3.1 數控折彎機通常有兩個以上的控制軸,這里面最為重要的就是安裝折彎模具的滑塊。數控折彎機在折彎過程中要求低速大扭矩輸出,要求伺服驅動器有較強的過載能力和優越的低速性能。該客戶應用歐瑞伺服的設備為25噸小型全伺服數控折彎機ES-2508。
折彎部分采用SD20系列22KW驅動器+14KW絕對值伺服電機,伺服電機帶動滑塊上下移動對產品進行折彎。
該設備的特點:
(1)高精度,折彎深度控制精度±0.02mm。
(2)省電,全伺服控制自動調節電量。
(3)高效率比液壓式驅動快2倍。
(4)節省空間,任意變速,任意停止,輕松應對復雜折彎工作。
3.2 系統調試
1)參數設置表:

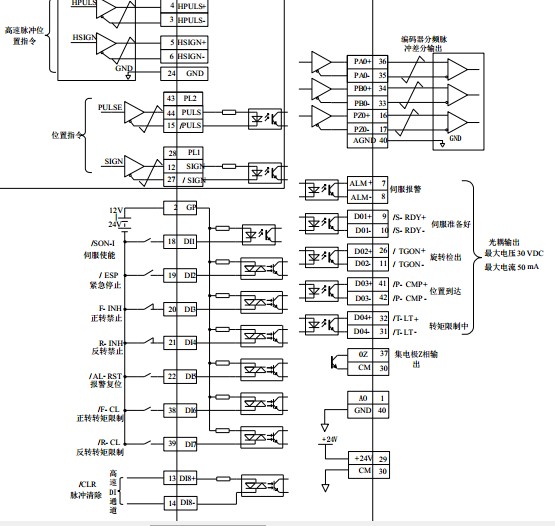
2)歐瑞伺服位置脈沖模式接線示意圖:

四、結束語
歐瑞傳動電氣股份有限公司是中國率先致力于交流電機變頻器和伺服研發的國家級高新技術企業之一,SD20系列絕對值伺服更是體現歐瑞傳動深厚的技術儲備和先進的性能與設計理念,此次全伺服數控折彎機在終端客戶處加工的產品精度與加工速度得到客戶認同,也為客戶創造了價值,贏得客戶的信賴。
?
????? 了解詳細信息,請咨詢24小時售后服務熱線:4006-866-333 關閉
移動端